Skip to main content

A100

I have problems when using the old version of the voltage controlled switches A-150 or A-151, or the S&H module A-148 with voltages above +8V or below -8V (e.g. clock, trigger or gate signals)

The old versions of the voltage controlled switches A-150/A-151 and the S&H module A-148 are able to process voltages only in the range -8V...+8V. Voltages less than -8V or more than +8V will lead to malfunction of the module ! Please refer to the user's manual of A-150, A-151 resp. A-148 (in the first issues of the manuals this information was missing).

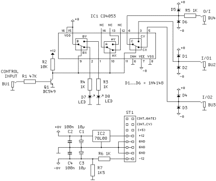
The technical reason is that for the VC switches used in the A-150, A-151 and A-148 (CD4053) the max. voltage difference is about 16V. We placed this voltage range symmetrical around GND so that voltages between -8V and +8V can be processed. When it is desired to process voltages in the range 0...+12V at the I/O resp. O/I in/outputs (e.g. clock, trigger or gate signals) the modification described in the following is the solution. This modification allows to process voltages in the range 0...+12V. Pay attention: in this case no longer negative voltages (e.g. LFO or audio) can be processed.

To modify the module A-150 resp. A-151 the internal "+8V" signal has to be connected to +12V and the internal "-8V" signal has to be connected to GND. The simplest solution is to remove the +8V voltage regulator (78L08 = IC2 for A-150 resp. IC3 for A-151) and replace it by a jumper (wire) that connects the internal +8V line to +12V. The resistor R7 (1k5) for A-150 resp. R16 (1k5) for A-151 has to be replaced by a wire/jumper so that the internal -8V line is connected to GND.

All these electronic parts are located near the bus connector. After these modifications the voltage range for A-150 resp. A-151 becomes 0...+12V. The schematics of A-150 and A-151 are enclosed below.

  • P.S. Since spring 2004 a new version of the A-150 is manufactured that covers the full A-100 voltage range -12V...+12V. Please look at the A-150 information for details.
  • P.S. Since fall 2004 a new version of the A-151 is manufactured that covers the full A-100 voltage range -12V...+12V. Please look at the A-151 information for details.
  • P.S. Since summer 2005 a new version of the A-148 is manufactured that covers the full A-100 voltage range -12V...+12V.